










ABM / ABM5400B
エービーエム ゴヨンゼロゼロビー
ファインチューンブリッジはさらなるステップへ
ABM 5400 "Katana"ファインチューンブリッジは、Floyd Rose Classicを搭載したギターと互換性があり、それらのギターに直接取り付けることができます。
ベルブラスを用いたワンブロックデザインにより、豊かな倍音をともなった強力な音色と、長いサステインを実現します。
特にトレモロが"ダイビング"中はより倍音が豊かとなり、サステインも長くなります。
ソリッドな機械加工されたボディには6弦独立して弦高やイントネーション、弦間を調整でき、無段階での弦高やイントネーション調整が可能。一度設定した位置を固定できるサイドロックスクリューにより、何度も同じ調整を行う必要もありません。
また、トレモロ自体の構造が短いため、最大4セミノートものアームアップが可能です。
■特徴
・ABMならではのワンブロックデザインとサドルロックにより歌うような倍音と長いサステインを実現
・フラットストリングロック構造によりロック部による弦切れを抑制
・独立したサドルの高さ調整
・ドライバーを使って行えるイントネーション調整
・最大4セミノートのアームアップ
・ただ差し込むだけでプレイできるアーム
■サイズと素材
(※製品画像をご参照ください)
素材
ベルブラス製トレモロ/トレモロブロック、スチールボルト/ベルブラススリーブ、スプリングスチール製ブレードエッジ、スチール製トレモロアーム
■付属品
1×トレモロブリッジ本体
1×トレモロブロック
1×トレモロアーム
5×トレモロスプリング
1×スプリングプレート(ネジ付)
2×取り付けボルト/スリーブ
※ロックナット、ストリングリテーナーバーは付属しません。
付属するトレモロブロックは多くのギターに適合する37mmとなります。
■加工用テンプレート
・37mmブロックの場合
●トップ
(※製品画像をご参照ください)
●バック
(※製品画像をご参照ください)
●サイド
(※製品画像をご参照ください)
・32mmブロックの場合
●トップ
(※製品画像をご参照ください)
●バック
(※製品画像をご参照ください)
●サイド
(※製品画像をご参照ください)
※ネジ穴の加工は必要なサイズに合わせてブッシングを行います。木材の硬さも考慮して行います。
※サイドのサイズはフロイドローズオリジナルルートパターンに合わせています。37mmはボディ厚44.45mm、32mmはボディ厚44mmです。実際の厚さにあわせて微調整を行う必要があります。
※トレモロブリッジの取り付け、ギターの加工は必ず経験のあるリペアショップで行ってください。
■プレイとチューニング
(※製品画像をご参照ください)
トレモロアーム(14)を差し込み、アジャストメントスクリュー(15)で動きを調整します。
通常のギターチューニングにはチューナーノブ(1)を使用します。
チューナーノブのチューニングレンジを超え音程を調整する場合は、ロックナット(20)のロックスクリューをゆるめ、ヘッドのペグでチューニングを行います。その際、チューニングレンジを確保するため、チューナーノブを戻してから行います。
ペグでチューニングを行ったらロックナットのスクリューを締め、改めてチューナーノブでチューニングを行います。
※突然のチューニングの狂いを抑えるため、ペグを動かす際は必ずロックナットのスクリューを緩めてから行ってください。
すべてのネジはゆっくりと締め付けることで弦を長持ちさせることができます。
■弦の交換
(※製品画像をご参照ください)
A:まず、ロックナット(20)のロックスクリューを緩めます。
B:次に、ヘッドのペグから弦を取り外します。
C:トレモロユニットのストリングロックスクリュー(2)を緩め、弦を取り外します。
D:弦を滑らせて弦を外します。ポールエンドをカットすると作業がやりやすくなります。
E:新しい弦をチューニングレバーに通し、トレロサドル、ロックナット、ペグへと通し、ペグで弦を巻きます。
F:チューナーノブを高めの位置に調整してからペグでチューニングを行います。
G:ロックナットのロックスクリューを締めます。
H:チューナーノブでチューニングを行います。
■サドルのセッティング
(※製品画像をご参照ください)
ABM 5400のサドルはストリングサドル(5)とイストサドル(7)で構成されます。
サドルの調整を行う前に、必ずサイドロックスクリュー(3)を緩めておいてください。
弦高、弦間の調整を行う際は、インサートロックスクリュー(6)を先に緩めてから行います。
サドルインサート(7)を最大±0.35mmの範囲で動かし、弦間を調整することができます。
ヘイトアジャストメントスクリュー(8)で弦高をネックのカーブに合わせて調整します。
調整が終わったら、インサートロックスクリュー(6)を締めます。
イントネーションセッティングを行います。
イントネーションだけを調整する際にも、必ず先にサイドロックスクリューを緩めてから行ってください。
続いてイントネーションスクリュー(15)を使ってサドルを前後に動かし、正しいイントネーションとなる位置を探します。
位置が決まったら、サイドロックスクリュー(3)を締め、サドルを固定します。
【ABM】
■About ABM
ABMは、エレクトリックギターが誕生して間もない1949年に設立されたエレクトリックギターおよびエレクトリックベース用の金属パーツ会社です。
私たちが一番大事にしているのは、パーツによるサスティーンを最大限に引き出すことです。そのために、私たちは全てのパーツをブラスやスチール、アルミニウムブロックから精密な削り出し加工技術により製作しています。
また、私たちが製作するのはスタンダードなパーツだけではありません。
ひとりひとりのプレイヤー、ひとつひとつの楽器に完璧にフィットするような特別なパーツを製作してきました。
弦の幅や溝の深さ、角度、パーツの大きさや形、そしてデザインに凝ったものなど様々でした。
そしてこのひとつひとつの貴重な経験全てが、私たちのプロダクトに生かされ続けています。
現在、私たちは世界中のプレイヤー、楽器メーカーのために約1,200種類のパーツを製作しています。
ドイツに伝統的に息づくクラフトマンシップと楽器の進化、変遷と共に歩んできた経験を誇りに、プレイヤーの期待を超える高品質で機能的なパーツを提供し続けます。
■ABMの哲学
楽器のパーツは昔と変わらない方法で、同じ素材で作るのが今でもより良い方法なのでしょうか?
エレキギターの歴史とともに歩んできた私たちABMは、常に自問自答し続けます。今も当時も、私たちが提供できる最高のパーツを製作する姿勢は変わることはありません。
私たちは1949年の創業時以来、パーツによる音の違いは一体何によるものなのか、その秘密の解明に多くの時間と労力を費やしてきました。中でもダイキャスト製と削り出しによる違いの研究はとても有意義なものでした。私たちはこの研究の中から多くの貴重な知識を得ることができました。
私たちのプロダクトは、その長年の研究と経験による成果の答えそのものです。
創業時から受け継がれてきた私たちのプロダクトに対する哲学である、「楽器本来の音を引き出すパーツを製作する」ために私たちが出来ることは何なのか、今までも、そしてこれからもABMの探求は続きます。
エービーエム ゴヨンゼロゼロビー
ファインチューンブリッジはさらなるステップへ
ABM 5400 "Katana"ファインチューンブリッジは、Floyd Rose Classicを搭載したギターと互換性があり、それらのギターに直接取り付けることができます。
ベルブラスを用いたワンブロックデザインにより、豊かな倍音をともなった強力な音色と、長いサステインを実現します。
特にトレモロが"ダイビング"中はより倍音が豊かとなり、サステインも長くなります。
ソリッドな機械加工されたボディには6弦独立して弦高やイントネーション、弦間を調整でき、無段階での弦高やイントネーション調整が可能。一度設定した位置を固定できるサイドロックスクリューにより、何度も同じ調整を行う必要もありません。
また、トレモロ自体の構造が短いため、最大4セミノートものアームアップが可能です。
■特徴
・ABMならではのワンブロックデザインとサドルロックにより歌うような倍音と長いサステインを実現
・フラットストリングロック構造によりロック部による弦切れを抑制
・独立したサドルの高さ調整
・ドライバーを使って行えるイントネーション調整
・最大4セミノートのアームアップ
・ただ差し込むだけでプレイできるアーム
■サイズと素材
(※製品画像をご参照ください)
素材
ベルブラス製トレモロ/トレモロブロック、スチールボルト/ベルブラススリーブ、スプリングスチール製ブレードエッジ、スチール製トレモロアーム
■付属品
1×トレモロブリッジ本体
1×トレモロブロック
1×トレモロアーム
5×トレモロスプリング
1×スプリングプレート(ネジ付)
2×取り付けボルト/スリーブ
※ロックナット、ストリングリテーナーバーは付属しません。
付属するトレモロブロックは多くのギターに適合する37mmとなります。
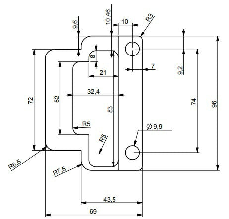
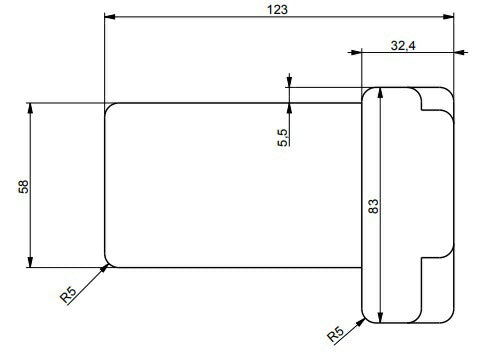
■加工用テンプレート
・37mmブロックの場合
●トップ
(※製品画像をご参照ください)
●バック
(※製品画像をご参照ください)
●サイド
(※製品画像をご参照ください)
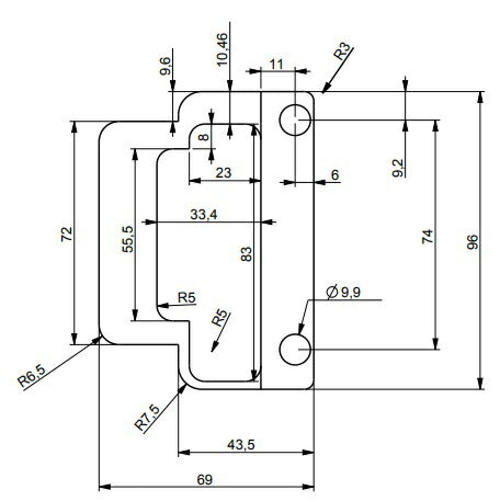
・32mmブロックの場合
●トップ
(※製品画像をご参照ください)
●バック
(※製品画像をご参照ください)
●サイド
(※製品画像をご参照ください)
※ネジ穴の加工は必要なサイズに合わせてブッシングを行います。木材の硬さも考慮して行います。
※サイドのサイズはフロイドローズオリジナルルートパターンに合わせています。37mmはボディ厚44.45mm、32mmはボディ厚44mmです。実際の厚さにあわせて微調整を行う必要があります。
※トレモロブリッジの取り付け、ギターの加工は必ず経験のあるリペアショップで行ってください。
■プレイとチューニング
(※製品画像をご参照ください)
トレモロアーム(14)を差し込み、アジャストメントスクリュー(15)で動きを調整します。
通常のギターチューニングにはチューナーノブ(1)を使用します。
チューナーノブのチューニングレンジを超え音程を調整する場合は、ロックナット(20)のロックスクリューをゆるめ、ヘッドのペグでチューニングを行います。その際、チューニングレンジを確保するため、チューナーノブを戻してから行います。
ペグでチューニングを行ったらロックナットのスクリューを締め、改めてチューナーノブでチューニングを行います。
※突然のチューニングの狂いを抑えるため、ペグを動かす際は必ずロックナットのスクリューを緩めてから行ってください。
すべてのネジはゆっくりと締め付けることで弦を長持ちさせることができます。
■弦の交換
(※製品画像をご参照ください)
A:まず、ロックナット(20)のロックスクリューを緩めます。
B:次に、ヘッドのペグから弦を取り外します。
C:トレモロユニットのストリングロックスクリュー(2)を緩め、弦を取り外します。
D:弦を滑らせて弦を外します。ポールエンドをカットすると作業がやりやすくなります。
E:新しい弦をチューニングレバーに通し、トレロサドル、ロックナット、ペグへと通し、ペグで弦を巻きます。
F:チューナーノブを高めの位置に調整してからペグでチューニングを行います。
G:ロックナットのロックスクリューを締めます。
H:チューナーノブでチューニングを行います。
■サドルのセッティング
(※製品画像をご参照ください)
ABM 5400のサドルはストリングサドル(5)とイストサドル(7)で構成されます。
サドルの調整を行う前に、必ずサイドロックスクリュー(3)を緩めておいてください。
弦高、弦間の調整を行う際は、インサートロックスクリュー(6)を先に緩めてから行います。
サドルインサート(7)を最大±0.35mmの範囲で動かし、弦間を調整することができます。
ヘイトアジャストメントスクリュー(8)で弦高をネックのカーブに合わせて調整します。
調整が終わったら、インサートロックスクリュー(6)を締めます。
イントネーションセッティングを行います。
イントネーションだけを調整する際にも、必ず先にサイドロックスクリューを緩めてから行ってください。
続いてイントネーションスクリュー(15)を使ってサドルを前後に動かし、正しいイントネーションとなる位置を探します。
位置が決まったら、サイドロックスクリュー(3)を締め、サドルを固定します。
【ABM】
■About ABM
ABMは、エレクトリックギターが誕生して間もない1949年に設立されたエレクトリックギターおよびエレクトリックベース用の金属パーツ会社です。
私たちが一番大事にしているのは、パーツによるサスティーンを最大限に引き出すことです。そのために、私たちは全てのパーツをブラスやスチール、アルミニウムブロックから精密な削り出し加工技術により製作しています。
また、私たちが製作するのはスタンダードなパーツだけではありません。
ひとりひとりのプレイヤー、ひとつひとつの楽器に完璧にフィットするような特別なパーツを製作してきました。
弦の幅や溝の深さ、角度、パーツの大きさや形、そしてデザインに凝ったものなど様々でした。
そしてこのひとつひとつの貴重な経験全てが、私たちのプロダクトに生かされ続けています。
現在、私たちは世界中のプレイヤー、楽器メーカーのために約1,200種類のパーツを製作しています。
ドイツに伝統的に息づくクラフトマンシップと楽器の進化、変遷と共に歩んできた経験を誇りに、プレイヤーの期待を超える高品質で機能的なパーツを提供し続けます。
■ABMの哲学
楽器のパーツは昔と変わらない方法で、同じ素材で作るのが今でもより良い方法なのでしょうか?
エレキギターの歴史とともに歩んできた私たちABMは、常に自問自答し続けます。今も当時も、私たちが提供できる最高のパーツを製作する姿勢は変わることはありません。
私たちは1949年の創業時以来、パーツによる音の違いは一体何によるものなのか、その秘密の解明に多くの時間と労力を費やしてきました。中でもダイキャスト製と削り出しによる違いの研究はとても有意義なものでした。私たちはこの研究の中から多くの貴重な知識を得ることができました。
私たちのプロダクトは、その長年の研究と経験による成果の答えそのものです。
創業時から受け継がれてきた私たちのプロダクトに対する哲学である、「楽器本来の音を引き出すパーツを製作する」ために私たちが出来ることは何なのか、今までも、そしてこれからもABMの探求は続きます。
Collapsible content
在庫状況について
当店では複数のショッピングサイトにて在庫の共有をしております。最新の在庫状況の反映を心がけておりますが、タイミングにより在庫にズレが発生してしまう場合がございます。そのため、在庫切れによりご注文商品をご用意できない場合もございます。その際は、ご注文をキャンセルとさせていただきますことを、あらかじめご了承ください。→ 詳しくはこちら(ショッピングガイド)
会社概要
お問い合わせ
コンタクトフォームよりお問い合わせください。
返品、修理に関するお問い合わせはこちらも合わせてご確認ください。
>>保証規定、修理等に関するQ & A